WDX
Slide Rail Linear Bearings

SLIDE RAIL BEARINGS represent the latest in sliding friction -
low profile
rail
guide - technology. Slide Rail's unique 45 degree load plane ensures
moderate load/speed capacity coupled with easy, quiet
linear motion. Slide Rails are
FDA/USDA compliant. NOTE:
due to the differences between rolling and
sliding friction, these systems
are not interchangeable with IKO, THK,
STAR, SCHNEEBERGER
or their like. Slide rails are
inch as opposed
to metric. Please
call for engineering review where moment
(overturning ) loads
are present.
1-800-513-3163
Rail Material:
Ceramic Coated Aluminum
FDA/Washdown Compliant
Block Material
Block is WDX Polyethylene
FDA/Washdown Approved |
3D
Solid Models Available Upon Request Slide
Rail Success Story
-
FDA/USDA Compliant
- Contamination
Tough
- Wash Down
Friendly
- Shock & Vibration
-
Smooth, Quiet
Linear Motion
LM76 Slide Rails are an
outstanding choice
for automation, food process, medical, pharmaceutical and
semiconductor equipment.
|
 |
MAX PV |
Max PSI |
Max Velocity |
Coefficient
of Friction |
Operating
Temp |
4000 |
1200 |
50 SFM |
0.14 |
- 460 to + 180 F |
|
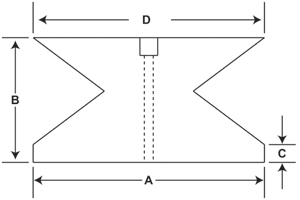
P/N |
Block and Rail Assembled |
LBR1 |
0.563 |
+/-
.002 |
50 |
50 |
50 |
200 |
200 |
200 |
ASSEMBLY |
A |
A
Tolerance |
DYNAMIC LOAD DOWN |
DYNAMIC LOAD
SIDE |
DYNAMIC LOAD UP |
STATIC LOAD DOWN |
STATIC LOAD SIDE |
STATIC LOAD
UP |
LBR2 |
0.750 |
+/-
.002 |
100 |
100 |
100 |
450 |
450 |
450 |
LBR3 |
0.875 |
+/-
.002 |
200 |
200 |
200 |
700 |
700 |
700 |
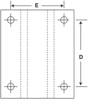
BLOCK DIMS |
A |
B |
C |
D |
E |
F |
F1 |
P/N |
|
|
|
|
|
|
|
LB1 |
1.00 |
0.500 |
1.250 |
0.750 |
0.750 |
M3 |
8 |
LB2 |
1.250 |
0.625 |
1.750 |
1.000 |
1.000 |
M3 |
8 |
LB3 |
1.750 |
0.750 |
2.000 |
1.250 |
1.250 |
M4 |
10 |
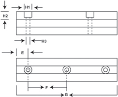
RAIL DIMS |
A |
B |
C |
D |
E |
F |
Rail
Lengths |
H |
H1 |
H2 |
H3 |
P/N |
|
|
|
|
|
|
|
Screw
Inch |
�
.010 |
�
.010 |
�
.010 |
LR1 |
0.500 |
0.310 |
0.060 |
0.480 |
0.500 |
1.000 |
7,13,19,25, 31 |
#5 |
.219 |
.138 |
.136 |
LR2 |
0.750 |
0.495 |
0.125 |
0.720 |
0.500 |
1.500 |
7,13,19,25, 31 |
#8 |
.3125 |
0.180 |
0.180 |
LR3 |
1.000 |
0.620 |
0.125 |
0.940 |
0.500 |
1.500 |
7,13,19,25, 31
Extruded Lengths to
10 feet Long |
#10 |
.375 |
0.220 |
0.206 |
|